Rahmenteil V 8100 WF HV Stop Stahl vernickelt für 2-teilig Stahlzargen Bremsfunktion
E6429177
Auslaufartikel
auf Anfrage
je 100 Stück
keine Verfügbarkeitsinformationen
Funktionen
Verkaufsdaten
| Mindestbestellmenge | 1 Stück |
| Bestellschritt | 1 Stück |
Beschreibung
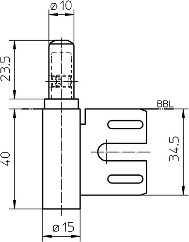
für gefälzte und ungefälzte Türen an Stahlzargen · Rollen-Ø 15 mm · mit 4 mm Höhenverstellung und Bremsfunktion gegen Zu- bzw. Auflaufen der Tür
Weitere technische Eigenschaften:
· Rollen-Ø: 15mm
· Anschlagrichtung: DIN links / rechts
Weitere technische Eigenschaften:
· Rollen-Ø: 15mm
· Anschlagrichtung: DIN links / rechts
Merkmale
| Material | Stahl |
| Oberfläche | vernickelt |
| Modell | V 8100 WF HV Stop |
| Ausführung | Bremsfunktion |
| Stift-Ø | 10 mm |
| Bandkonstruktion | für 2-teilig |
| passend für | Stahlzargen |
| Marke | SIMONSWERK |